1310nm半导体光放大器(SOA)系列产品,主要应用于数据中心互联 等光通信领域。 全国产化产品,交付及时。定制化服务:可支持保偏、集成隔离器、集成PD光功率监控等更高集成度的器件订制。
单模版本
保偏版本
品牌:Bonphot
|
参数 |
符号 |
工作条件 |
最小值 |
典型值 |
最大值 |
单位 |
|
工作波长 |
λ |
T=25℃ |
1210 |
1270 |
1330 |
nm |
|
带宽 |
Δλ |
@-3dB |
60 |
- |
- |
nm |
|
小信号增益 |
G |
If=120mA Pin=-20dBm |
- |
18 |
- |
dB |
|
饱和光功率 |
Psat |
If=120mA |
9 |
- |
- |
dBm |
|
饱和光功率(保偏) |
Psat |
If=120mA |
7 |
- |
- |
dBm |
|
偏振消光比(保偏) |
Per |
If=120mA |
20 |
- |
- |
dB |
|
偏振相关增益 |
PDG |
- |
- |
0.3 |
1.0 |
dB |
|
噪声系数 |
NF |
- |
- |
7 |
8 |
dB |
|
灵敏度@100G |
|
100G LR QSFP28 加SOA误码测试 |
- |
-12.5 |
- |
dBm |
|
工作电流 |
If |
- |
- |
120 |
250 |
mA |
|
正向电压 |
Vf |
- |
- |
- |
1.8 |
V |
|
TEC电流 |
ITEC |
- |
- |
- |
1.8 |
A |
|
TEC电压 |
VTEC |
- |
- |
- |
3.4 |
V |
|
热敏电阻阻值 |
Rtherm |
T=25℃ |
9.5 |
10 |
10.5 |
KΩ |
|
热敏电阻电流 |
Itherm |
- |
- |
- |
5 |
mA |
|
气密性 |
- |
T=25℃ |
1*10-12 |
1*10-11 |
1*10-8 |
Pa.m3/s。 |
|
工作温度 |
TC |
I=Iop |
-10 |
- |
70 |
°C |
|
存储温度 |
Tstg |
- |
-40 |
- |
85 |
°C |
备注 1:气密性数值为管壳封装数值,排除管壳外部残留干扰测试得出。
|
典型特性 |
|
|
|
|
|
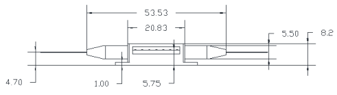
结构尺寸和管脚定义 |
|
|
|
|
|
|
|
订货信息
|
订货信息 |
产品描述 |
|
SOA-1310-09-G18-SM-FA |
1310nm波段-9dBm饱和输出功率-18dB增益-蝶形封装-单模光纤-FC/APC接头 |
|
SOA-1310-07-G18-PM-FA |
1310nm波段-7dBm饱和输出功率-18dB增益-蝶形封装-保偏光纤-FC/APC接头 |
